Вопросы и темы по загрузчику ChipLoader
Модератор: chipsoft
-
Olegator
- Сообщения: 39
- Зарегистрирован: Вт дек 18, 2007 3:30 pm
- Откуда: Россия ,Воронежская обл.г.Лиски
Сообщение
Olegator » Вт сен 16, 2014 1:28 pm
chipsoft писал(а):Olegator писал(а):достаточно ли одного опенпорта или еще нужен к-лайн адаптер?
Достаточно. Только КЛинию адаптера нужно подключать к ЭБУ. В комбилоадере КЛиния J2534 устройства не подключается, а используется КЛиния хвоста.
внешний к-лайн программа поддерживает?Что бы не тянуть в обд фишку
к линию?у меня шнур для подключению к блоку от смс,там к линии нет.
-
chipsoft
- CHIPSOFT.UA
- Сообщения: 8318
- Зарегистрирован: Вс дек 18, 2005 1:23 pm
- Откуда: Украина, Киев
Сообщение
chipsoft » Вт сен 16, 2014 1:34 pm
Конечно не поддерживает. Какой смысл использовать одновременно 2 адаптера, если и одним можно обойтись?
CHIPSOFT J2534 Pro: 5 CAN BUS, 1 SWCAN, 8 KLine, 5 - 20V Voltage generator
Онлайн магазин CHIPSOFT: shop.chipsoft.com.ua
-
Olegator
- Сообщения: 39
- Зарегистрирован: Вт дек 18, 2007 3:30 pm
- Откуда: Россия ,Воронежская обл.г.Лиски
Сообщение
Olegator » Вт сен 16, 2014 1:37 pm
chipsoft писал(а):Конечно не поддерживает. Какой смысл использовать одновременно 2 адаптера, если и одним можно обойтись?
логично
-
Линур
- Сообщения: 42
- Зарегистрирован: Ср янв 29, 2014 12:35 pm
- Откуда: Кукмор.Татарстан
Сообщение
Линур » Вт сен 16, 2014 5:34 pm
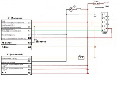
chipsoft писал(а):В файле справки описано, куда нужно +5В подать.
Все как в справке подключил, ругается на ошибку 16. Что не так?
-
Вложения
-

-
gonta
- Сообщения: 386
- Зарегистрирован: Чт авг 23, 2012 3:38 pm
- Откуда: Страна агрессор
Сообщение
gonta » Вт сен 16, 2014 9:20 pm
Ержан писал(а):Здравствуйте!!! Приехала Приора с блоком как М74 не ожидал такого вроде сколько делал всегда был М17.9.7 а тут на тебе М74 прошивка I427DC03 я так понял блок кановый, возьмет его м74 кан??? И про подтяжку 5 вольт не понятно. Это получается надо взять с X1:K1 через резистор 470-510 Ом соединить на X1-E3 - CAN Hi. Поправите если не так.
Уважаемый!Это блок М74.5.И лазить туда не стоит.
Ко мне обращаться всегда на ты.
-
gonta
- Сообщения: 386
- Зарегистрирован: Чт авг 23, 2012 3:38 pm
- Откуда: Страна агрессор
Сообщение
gonta » Вт сен 16, 2014 9:46 pm
Линур писал(а):chipsoft писал(а):В файле справки описано, куда нужно +5В подать.
Все как в справке подключил, ругается на ошибку 16. Что не так?
А к-линию может сделать не парралельным подключением пина а переключением пинов?Просто если что-то шунтирует к-линию то
возможно не будет первоначальной инициализации блока.
Ко мне обращаться всегда на ты.
-
Линур
- Сообщения: 42
- Зарегистрирован: Ср янв 29, 2014 12:35 pm
- Откуда: Кукмор.Татарстан
Сообщение
Линур » Ср сен 17, 2014 1:55 am
gonta писал(а):Линур писал(а):chipsoft писал(а):В файле справки описано, куда нужно +5В подать.
Все как в справке подключил, ругается на ошибку 16. Что не так?
А к-линию может сделать не парралельным подключением пина а переключением пинов?Просто если что-то шунтирует к-линию то
возможно не будет первоначальной инициализации блока.
Но ведь обычный м74 читает и пишет без проблем.
-
albert73
- Сообщения: 130
- Зарегистрирован: Пт авг 26, 2011 6:27 am
- Откуда: Башкортостан, п.Чишмы
Сообщение
albert73 » Ср сен 17, 2014 7:05 am
ключевое слово "обычный М74"
И этим всё сказано.
-
Olegator
- Сообщения: 39
- Зарегистрирован: Вт дек 18, 2007 3:30 pm
- Откуда: Россия ,Воронежская обл.г.Лиски
Сообщение
Olegator » Ср сен 17, 2014 8:10 am
chipsoft писал(а):Конечно не поддерживает. Какой смысл использовать одновременно 2 адаптера, если и одним можно обойтись?
а как теперь программируется m7.4 калиновский?Раньше я программировал его через внешний к лайн адаптер с помощью кабеля от sms
-
Линур
- Сообщения: 42
- Зарегистрирован: Ср янв 29, 2014 12:35 pm
- Откуда: Кукмор.Татарстан
Сообщение
Линур » Ср сен 17, 2014 8:21 am
Olegator писал(а):chipsoft писал(а):Конечно не поддерживает. Какой смысл использовать одновременно 2 адаптера, если и одним можно обойтись?
а как теперь программируется m7.4 калиновский?Раньше я программировал его через внешний к лайн адаптер с помощью кабеля от sms
J2534 устройство шьет его ни чем не хуже, только по времени чуть дольше.
-
Линур
- Сообщения: 42
- Зарегистрирован: Ср янв 29, 2014 12:35 pm
- Откуда: Кукмор.Татарстан
Сообщение
Линур » Ср сен 17, 2014 8:22 am
albert73 писал(а):ключевое слово "обычный М74"
И этим всё сказано.
Думаете там К-Линия разная?
-
Линур
- Сообщения: 42
- Зарегистрирован: Ср янв 29, 2014 12:35 pm
- Откуда: Кукмор.Татарстан
Сообщение
Линур » Ср сен 17, 2014 8:24 am
gonta писал(а):Линур писал(а):chipsoft писал(а):В файле справки описано, куда нужно +5В подать.
Все как в справке подключил, ругается на ошибку 16. Что не так?
А к-линию может сделать не парралельным подключением пина а переключением пинов?Просто если что-то шунтирует к-линию то
возможно не будет первоначальной инициализации блока.
Хорошо, спасибо, будем пробовать с отключенной К-Линией с X1-G3, больше грешить не на что.
-
Olegator
- Сообщения: 39
- Зарегистрирован: Вт дек 18, 2007 3:30 pm
- Откуда: Россия ,Воронежская обл.г.Лиски
Сообщение
Olegator » Ср сен 17, 2014 8:33 am
Линур писал(а):Olegator писал(а):chipsoft писал(а):Конечно не поддерживает. Какой смысл использовать одновременно 2 адаптера, если и одним можно обойтись?
а как теперь программируется m7.4 калиновский?Раньше я программировал его через внешний к лайн адаптер с помощью кабеля от sms
J2534 устройство шьет его ни чем не хуже, только по времени чуть дольше.
Да дело в том что в обд фишке нет контакта под к-лайн, а найти контакт ,что бы его туда установить ,история долгая.Для меня лично.
-
gonta
- Сообщения: 386
- Зарегистрирован: Чт авг 23, 2012 3:38 pm
- Откуда: Страна агрессор
Сообщение
gonta » Ср сен 17, 2014 9:10 am
Olegator писал(а):Линур писал(а):Olegator писал(а):chipsoft писал(а):Конечно не поддерживает. Какой смысл использовать одновременно 2 адаптера, если и одним можно обойтись?
а как теперь программируется m7.4 калиновский?Раньше я программировал его через внешний к лайн адаптер с помощью кабеля от sms
J2534 устройство шьет его ни чем не хуже, только по времени чуть дольше.
Да дело в том что в обд фишке нет контакта под к-лайн, а найти контакт ,что бы его туда установить ,история долгая.Для меня лично.
Это сейчас про что?Какая ОБД фишка?
Ко мне обращаться всегда на ты.
-
Линур
- Сообщения: 42
- Зарегистрирован: Ср янв 29, 2014 12:35 pm
- Откуда: Кукмор.Татарстан
Сообщение
Линур » Ср сен 17, 2014 9:16 am
gonta писал(а):
Это сейчас про что?Какая ОБД фишка?
Это он наверное про Комбиковский кабель, который идет с этой фишкой для Опенпорта.
Кто сейчас на конференции
Сейчас этот форум просматривают: нет зарегистрированных пользователей и 39 гостей