Форум по чиптюнингу. Прошивки, программы, методы работы.
Модераторы: blistograd, chipsoft, Robin, karlson
-
Сеня
- Сообщения: 449
- Зарегистрирован: Вс дек 16, 2007 9:38 pm
- Откуда: Харьков
Сообщение
Сеня » Вс авг 12, 2012 4:54 pm
ROMTool
GQ-4X (Willem-USB)...
-
kuznja
- Сообщения: 1
- Зарегистрирован: Чт авг 23, 2012 5:40 am
- Откуда: Новокузнецк
Сообщение
kuznja » Сб авг 25, 2012 3:44 pm
Здравствуйте.
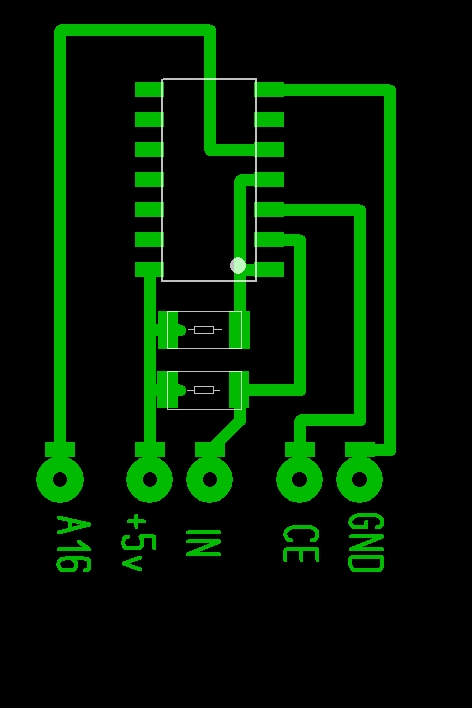
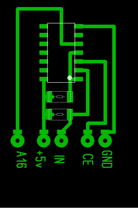
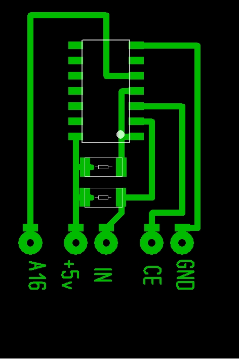
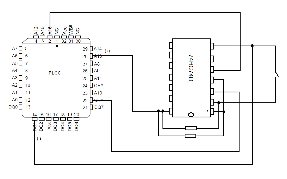
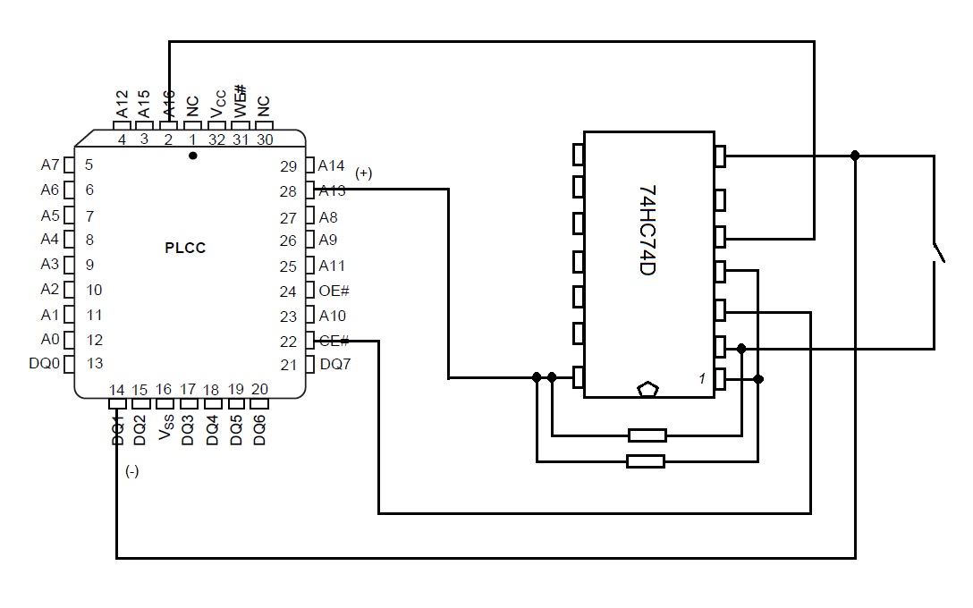
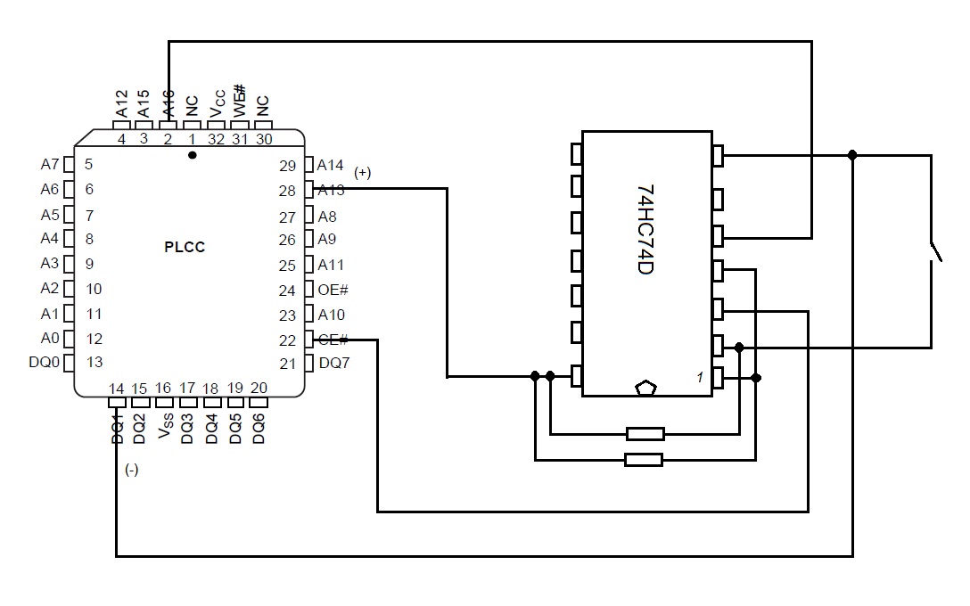
Хочу сделать двухрежимку Lanos. Стоит флешка AM29F010B. Правитьно ли я нарисовал схему?
-
Вложения
-

- 123.JPG (81.52 КБ) 7536 просмотров
-

- Безымянный.jpg (89.22 КБ) 7544 просмотра
Последний раз редактировалось
kuznja Вс авг 26, 2012 2:39 pm, всего редактировалось 1 раз.
-
valont
- Сообщения: 1
- Зарегистрирован: Чт мар 06, 2014 11:27 pm
- Откуда: Днепропетровск
Сообщение
valont » Чт мар 06, 2014 11:39 pm
Здравствуйте.
Где в Днепропетровске можно толково и недорого прошить ланос 1,5 база 2005г. sons (других подробностей не знаю) под двухрежимную прошиву под бензин и газ 4 поколения?
-
Сеня
- Сообщения: 449
- Зарегистрирован: Вс дек 16, 2007 9:38 pm
- Откуда: Харьков
Сообщение
Сеня » Пн мар 10, 2014 5:50 pm
Интересная схема - рабочая?
-
RUSлан
- Сообщения: 3
- Зарегистрирован: Пт янв 29, 2010 5:43 pm
- Откуда: UFA
Сообщение
RUSлан » Вт апр 08, 2014 5:23 pm
Привет всем. Помогите пожалуйста стоковой прошивкой Daewoo Lanos 1999г 1.5 -8кл. АКПП . блок управления без корпуса на флешке наклейка DWEC ZZTS .
-
piligrim2110
- Сообщения: 174
- Зарегистрирован: Вт дек 13, 2011 2:53 pm
- Откуда: РФ 31 регион
Сообщение
piligrim2110 » Пн июл 21, 2014 9:16 pm
Здравствуйте, подскажите пожалуйста, ланос 1.5 2007 года выпуска , сгорел ЭБУ GM DELCO прошивка ZXJN, вот именно такого точно эбу с таким софтом найти неможем, подскажите пожалуйста может можно заменить на какой нибудь другой , может быть с последующей перепрошивкой под этот софт, вообще на что можно его заменить?
-
ARA
- Сообщения: 169
- Зарегистрирован: Пт апр 24, 2009 9:06 pm
- Откуда: житомир
Сообщение
ARA » Пн июл 21, 2014 10:08 pm
Например на блок от нексии 1.5 16V с заменой пршивки ZXIT на ZXJN.
-
Богдан
- Сообщения: 1353
- Зарегистрирован: Ср ноя 11, 2009 7:58 pm
- Откуда: Украина
Сообщение
Богдан » Пн июл 21, 2014 10:21 pm
Всем кому интересно у меня в наличии есть такие блоки 450 грн
0954918076,0977796493 Изготовление и продажа тюнинговых прошивок,ремонт систем впрыска любой сложности и многое другое.
-
Bosyak
- Сообщения: 2
- Зарегистрирован: Чт мар 17, 2016 5:55 pm
- Откуда: Россия
Сообщение
Bosyak » Ср мар 23, 2016 8:42 pm
Доброго времени суток всем! Подскажите пожалуйста, а существуют ли в природе допиленные прошивки на Ланос с ЭБУ DWEC ZZTD, что то нигде не могу найти информации...
-
Богдан
- Сообщения: 1353
- Зарегистрирован: Ср ноя 11, 2009 7:58 pm
- Откуда: Украина
Сообщение
Богдан » Ср мар 23, 2016 9:03 pm
что значит допиленные?
0954918076,0977796493 Изготовление и продажа тюнинговых прошивок,ремонт систем впрыска любой сложности и многое другое.
-
Bosyak
- Сообщения: 2
- Зарегистрирован: Чт мар 17, 2016 5:55 pm
- Откуда: Россия
Сообщение
Bosyak » Чт мар 24, 2016 4:09 pm
возможно некорректно выразился, имел ввиду тюнинговые, оптимизированные, например улучшена динамика (в разумных пределах) без увеличения расхода топлива, лично у меня заглушен клапан EGR, в прошивке это как то должно учитываться ?
-
Богдан
- Сообщения: 1353
- Зарегистрирован: Ср ноя 11, 2009 7:58 pm
- Откуда: Украина
Сообщение
Богдан » Чт мар 24, 2016 5:52 pm
Да,должно учитываться. Есть добротная прошивка. В личку.
0954918076,0977796493 Изготовление и продажа тюнинговых прошивок,ремонт систем впрыска любой сложности и многое другое.
-
max2007
- Сообщения: 2
- Зарегистрирован: Сб янв 28, 2017 12:13 am
- Откуда: Украина
Сообщение
max2007 » Сб янв 28, 2017 12:30 am
Здравствуйте , нужна помощь , прикупил ланоса 1.5 , поставил ГБО , хотелось бы прошить двухрежимную прошивку , стоит ЭБУ DELCO блючип , прошивка XZJN
Подскажите где посмотреть как нада модифицировать блок ЭБУ , игде взять проверенную прошивку? Спасибо !
-
Богдан
- Сообщения: 1353
- Зарегистрирован: Ср ноя 11, 2009 7:58 pm
- Откуда: Украина
Сообщение
Богдан » Сб янв 28, 2017 12:31 am
позвоните завтра.Сделаем в лучшем виде.По ощущениям как будто 100куб см к мотору прибавят.
0954918076,0977796493 Изготовление и продажа тюнинговых прошивок,ремонт систем впрыска любой сложности и многое другое.
-
serg71
- Сообщения: 1395
- Зарегистрирован: Сб май 19, 2007 10:36 pm
- Откуда: Запорожская обл.г.Гуляйполе
Сообщение
serg71 » Сб янв 28, 2017 8:24 pm
max2007 писал(а):Здравствуйте , нужна помощь , прикупил ланоса 1.5 , поставил ГБО , хотелось бы прошить двухрежимную прошивку , стоит ЭБУ DELCO блючип , прошивка XZJN
Подскажите где посмотреть как нада модифицировать блок ЭБУ , игде взять проверенную прошивку? Спасибо !
Самый простой вариант -карту 95-го правите под газ , переключение релюхой от газового клапана по октан-корректору(D12(32-х выводный разьем) на корпус C12_C13)(D13-коричневозеленый отрезать) , чип сменить нужно .Гбо то хоть какое ?
ГБО, 0662219549 , 0965855193
Кто сейчас на конференции
Сейчас этот форум просматривают: нет зарегистрированных пользователей и 18 гостей