Обсуждаются вопросы, связанные со всевозможным железом, использующемся для чип-тюнинга и диагностики (K-Line алаптеры, дилерское оборудование,...)
Модераторы: blistograd, chipsoft
-
greedus
- Сообщения: 3
- Зарегистрирован: Пт авг 27, 2010 9:36 am
- Откуда: poltava
Сообщение
greedus » Пн авг 30, 2010 12:39 pm
Подскажите возможно ли доработать адаптер K-line на FTDI и MC33290 в KL-line адаптор?
-
greedus
- Сообщения: 3
- Зарегистрирован: Пт авг 27, 2010 9:36 am
- Откуда: poltava
Сообщение
greedus » Ср сен 01, 2010 12:27 pm
tuningbiz писал(а):Поменяй МС
На какой, если не секрет?
-
PashaZT
- Сообщения: 254
- Зарегистрирован: Сб мар 17, 2007 3:05 pm
- Откуда: Житомир, Украина
Сообщение
PashaZT » Ср сен 01, 2010 8:23 pm
greedus писал(а):tuningbiz писал(а):Поменяй МС
На какой, если не секрет?
Менять не нужно, а нужно добавить еще одну MC33290 (или подобную) для L линии.
-
tuningbiz
- Сообщения: 347
- Зарегистрирован: Вс мар 01, 2009 9:05 pm
- Откуда: Украина.Полтава
Сообщение
tuningbiz » Ср сен 01, 2010 10:58 pm
si9243 если найдеш
а так просто аналог ее впаяй
-
greedus
- Сообщения: 3
- Зарегистрирован: Пт авг 27, 2010 9:36 am
- Откуда: poltava
Сообщение
greedus » Чт сен 02, 2010 8:52 am
Спасибо, буду искать.
-
Witold
- Сообщения: 612
- Зарегистрирован: Вт мар 18, 2008 4:21 pm
- Откуда: Днепропетровск
Сообщение
Witold » Чт сен 02, 2010 8:56 am
Допаяй в свой адаптер транзистор и успокойся.
По ссылке чиптюнерру/content/klline/ смотри вторую и третью схемы = нога 7.
-
Evgen91187
- Сообщения: 4
- Зарегистрирован: Пт фев 25, 2011 1:28 pm
- Откуда: Запорожье
Сообщение
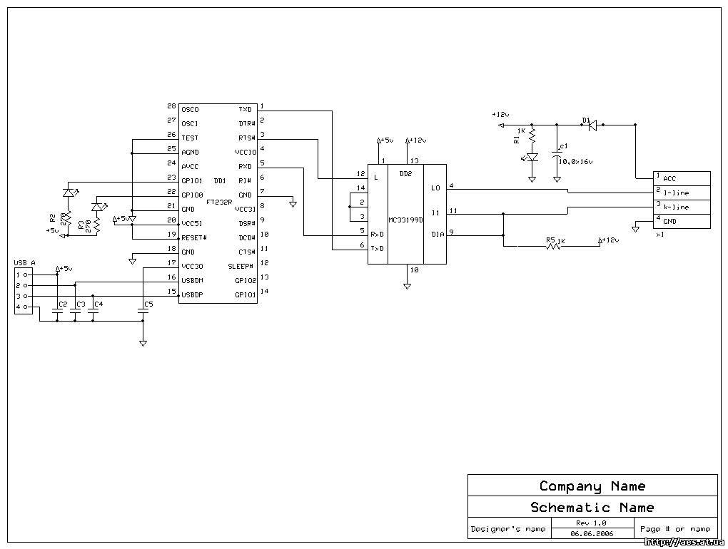
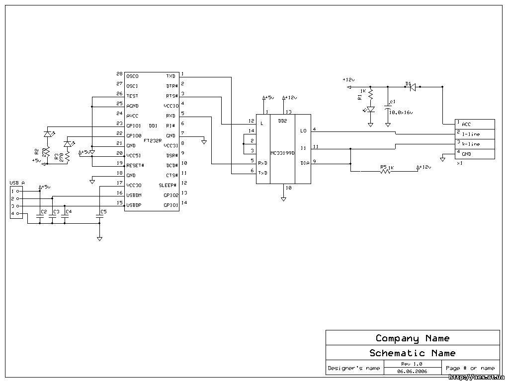
Evgen91187 » Пт мар 04, 2011 9:43 pm
По такой схеме собери. 100% рабочая.
-
Вложения
-

- 83171.jpg (60.98 КБ) 3970 просмотров
Кто сейчас на конференции
Сейчас этот форум просматривают: нет зарегистрированных пользователей и 14 гостей