Обновление ChipLoaderNG 3.7.0, подробнее тут: viewtopic.php?f=19&t=11442

Ford Tranzit 2011 не работает вентилятор отопителя

Обсуждение вопросов, связанных с сигнализациями, магнитолами и прочей автомобильной электроникой

Модераторы: blistograd, chipsoft, Robin, karlson

Ответить
Аватара пользователя
kaktus
Сообщения: 263
Зарегистрирован: Чт июл 03, 2008 9:17 am
Откуда: Украина г.Бердянск

Ford Tranzit 2011 не работает вентилятор отопителя

Сообщение kaktus » Ср авг 30, 2017 5:20 pm

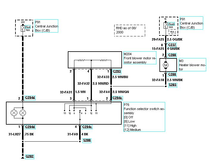
разыскивается электросхема
Александр

alfa
Сообщения: 154
Зарегистрирован: Сб май 06, 2017 8:50 am
Откуда: Киев

Сообщение alfa » Ср авг 30, 2017 10:19 pm

Вы представить полную базу по электрике одного авто можете? А их там очень много. Много это как то мягко сказано.

Аватара пользователя
Opel Tech2
Сообщения: 234
Зарегистрирован: Вт фев 16, 2010 5:37 pm
Откуда: Украина, г.Черкассы

Сообщение Opel Tech2 » Ср авг 30, 2017 10:51 pm

alfa писал(а):Вы представить полную базу по электрике одного авто можете? А их там очень много. Много это как то мягко сказано.
В названии темы всё указано. Лучше бы дали схему, а не промолчать каждый может. Не все в совершенстве владеют знаниями работы с форумами и их разделами и иногда (особенно в запарках) можно и написать не совсем корректно.
[DPF FAP EGR ADBLUE, SWIRL,LAMBDA,DR]
[Калибровка прошивок на заказ][http://ecu-tuning.com.ua] PS 100% наши решения удаления DPF EGR ADBLUE TUN!

alfa
Сообщения: 154
Зарегистрирован: Сб май 06, 2017 8:50 am
Откуда: Киев

Сообщение alfa » Ср авг 30, 2017 11:25 pm

Это мне надо дать ссыль на книжку на рутрекере?.
Наверное говорим на разных языках.
Попробую задать Вам простейший вопрос, дайте схему шарана 2004 (AWC). Это так, на вскидку.

Аватара пользователя
Opel Tech2
Сообщения: 234
Зарегистрирован: Вт фев 16, 2010 5:37 pm
Откуда: Украина, г.Черкассы

Сообщение Opel Tech2 » Ср авг 30, 2017 11:36 pm

alfa писал(а):Это мне надо дать ссыль на книжку на рутрекере?.
Наверное говорим на разных языках.
Попробую задать Вам простейший вопрос, дайте схему шарана 2004 (AWC). Это так, на вскидку.
Уважаемый! Не нужно тут прыскать мудростью.
Повторяю для тех кто на бронепоезде, ( Заголовок сообщения: Ford Tranzit 2011 не работает вентилятор отопителя) разыскивается электросхема
Ну ошибся человек :wink: и таки ДА, так бывает!
Но почему же сцуко всегда найдётся тот кто включит прохфессора?
В западло дать ссылку на схемы ну не вопрос пройдите мимо.
[DPF FAP EGR ADBLUE, SWIRL,LAMBDA,DR]
[Калибровка прошивок на заказ][http://ecu-tuning.com.ua] PS 100% наши решения удаления DPF EGR ADBLUE TUN!

alfa
Сообщения: 154
Зарегистрирован: Сб май 06, 2017 8:50 am
Откуда: Киев

Сообщение alfa » Ср авг 30, 2017 11:52 pm

Так дай, что ртом воздух гонять? Tckb dktpnm d ТШЫ форда, то там без вина нехрен даже сказазь здрасте. Амерканца и те просят, типа у вас конект-форд, а мотор 2.0л, если нет идите нахрен.
Opel Tech2, блин аж так интересно посмотреть, как решиться вопрос.)) Когда ради интереса покурил тойота тис, то стразу понял, нет одинаковых авто, они только похожие снаружи.
Свалил, ищите сами схемы по названию авто.

Аватара пользователя
Opel Tech2
Сообщения: 234
Зарегистрирован: Вт фев 16, 2010 5:37 pm
Откуда: Украина, г.Черкассы

Сообщение Opel Tech2 » Чт авг 31, 2017 12:09 am

alfa писал(а):Так дай, что ртом воздух гонять? Tckb dktpnm d ТШЫ форда, то там без вина нехрен даже сказазь здрасте. Амерканца и те просят, типа у вас конект-форд, а мотор 2.0л, если нет идите нахрен.
Opel Tech2, блин аж так интересно посмотреть, как решиться вопрос.)) Когда ради интереса покурил тойота тис, то стразу понял, нет одинаковых авто, они только похожие снаружи.
Свалил, ищите сами схемы по названию авто.
Вперёд и с песней, а то только ты один в курсе что в tis многих требуется ввод винкода, а в некоторых можно и в ручную выбрать.
Я же говорю "прохфессора" включил вместо того чтобы просто в одном едином сообщении написать (для точного определения какую именно схему дать вам, нужен винкод автомобиля) и после этого уже можешь давать не давать схему или ссылку на неё.
Да и судя по этим иероглифам " Tckb dktpnm d ТШЫ форда, то там без вина нехрен" вы батенька то ли сильно устали, то ли немного пьяны.

Вот например тут можно узнать много полезного о форд https://mikrob.ru/viewtopic.php?f=243&t=54884&start=60
А тут https://mikrob.ru/viewtopic.php?f=249&t=180419 можно попросить пароль на архив и скачать схемы.
Вложения
.JPG
 (2) — копия.jpg
[DPF FAP EGR ADBLUE, SWIRL,LAMBDA,DR]
[Калибровка прошивок на заказ][http://ecu-tuning.com.ua] PS 100% наши решения удаления DPF EGR ADBLUE TUN!

Аватара пользователя
kaktus
Сообщения: 263
Зарегистрирован: Чт июл 03, 2008 9:17 am
Откуда: Украина г.Бердянск

Сообщение kaktus » Чт авг 31, 2017 11:40 am

Спасибо Валера!
с помощю схемки таки нашёл отгоревший провод :D
но добаться до реле :(
Александр

Ответить

Кто сейчас на конференции

Сейчас этот форум просматривают: нет зарегистрированных пользователей и 13 гостей