Обновление ChipLoaderNG 3.7.0, подробнее тут: viewtopic.php?f=19&t=11442

Sheriff 1095 pro + Mitsubishi ASX

Обсуждение вопросов, связанных с сигнализациями, магнитолами и прочей автомобильной электроникой

Модераторы: blistograd, chipsoft, Robin, karlson

Аватара пользователя
Garik5
Сообщения: 43
Зарегистрирован: Пн окт 25, 2021 6:16 pm
Откуда: Украина. Харьковская обл.

Sheriff 1095 pro + Mitsubishi ASX

Сообщение Garik5 » Ср ноя 10, 2021 5:34 pm

Добрый всем день. Установил сигнализацию Sheriff 1095 pro на Mitsubishi ASX. Все подключил кроме ЦЗ. По положительной схеме подключения не получается, по отрицательной не стал рисковать. Поставить дополнительный привод в дверь водителя невозможно. Там замок цельный и никаких тяг нет, прицепиться некчему. Прошу совета как подключить ЦЗ. И возможно-ли это без подключения к can шине? Если только по can то какой адаптер подойдет под эту модель сигнализации? Разьем на блоке сигнализации - 4 контакта.
Вложения
Screenshot_2.png

Аватара пользователя
Glykin
Сообщения: 329
Зарегистрирован: Ср апр 05, 2017 2:23 pm
Откуда: Дзержинск

Re: Sheriff 1095 pro + Mitsubishi ASX

Сообщение Glykin » Ср ноя 10, 2021 7:31 pm

Год машины какой? Комплектация?

Аватара пользователя
Glykin
Сообщения: 329
Зарегистрирован: Ср апр 05, 2017 2:23 pm
Откуда: Дзержинск

Re: Sheriff 1095 pro + Mitsubishi ASX

Сообщение Glykin » Ср ноя 10, 2021 7:36 pm

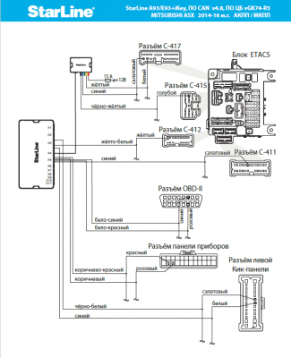
BCM для авто Mitsubishi ASX
Вложения
изображение_2021-11-10_193539.png

Аватара пользователя
Garik5
Сообщения: 43
Зарегистрирован: Пн окт 25, 2021 6:16 pm
Откуда: Украина. Харьковская обл.

Re: Sheriff 1095 pro + Mitsubishi ASX

Сообщение Garik5 » Ср ноя 10, 2021 8:27 pm

Glykin писал(а):
Ср ноя 10, 2021 7:36 pm
BCM для авто Mitsubishi ASX
По этому мануалу я и работал. (https://ustanovkasig.ru/tochki-podklyuc ... ubishi/asx). Год 2015. Мотор 4В11.
По мануалу ЦЗ надо подключать на can шину. Без адаптера этого не сделать.
Вызвонил провода от привода замка в двери водителя. Думал на них подключиться но не получилось. Меняется полярность и горят предохранители в жгуте ЦЗ сигналки.
Вложения
Screenshot_2021-11-10-19-27-19-859.jpeg

Аватара пользователя
Glykin
Сообщения: 329
Зарегистрирован: Ср апр 05, 2017 2:23 pm
Откуда: Дзержинск

Re: Sheriff 1095 pro + Mitsubishi ASX

Сообщение Glykin » Ср ноя 10, 2021 8:58 pm

Кан шина для другого, ЦЗ "-" по-аналогу.
Вложения
изображение_2021-11-10_205834.png

Аватара пользователя
Garik5
Сообщения: 43
Зарегистрирован: Пн окт 25, 2021 6:16 pm
Откуда: Украина. Харьковская обл.

Re: Sheriff 1095 pro + Mitsubishi ASX

Сообщение Garik5 » Ср ноя 10, 2021 9:24 pm

Glykin писал(а):
Ср ноя 10, 2021 8:58 pm
Кан шина для другого, ЦЗ "-" по-аналогу.
Это не управление и не исполнение ЦЗ. На этих проводах постоянные 4,5В. И не меняется ничего при открытии и закрытии. Я так понял вот на них надо подсоединить уже выход can адаптера.

Аватара пользователя
Glykin
Сообщения: 329
Зарегистрирован: Ср апр 05, 2017 2:23 pm
Откуда: Дзержинск

Re: Sheriff 1095 pro + Mitsubishi ASX

Сообщение Glykin » Ср ноя 10, 2021 9:28 pm

А кнопка-качелька ЦЗ на двери водительской присутствует? На эти провода контролькой от "-" ткните при закрытых дверях.

Аватара пользователя
Garik5
Сообщения: 43
Зарегистрирован: Пн окт 25, 2021 6:16 pm
Откуда: Украина. Харьковская обл.

Re: Sheriff 1095 pro + Mitsubishi ASX

Сообщение Garik5 » Ср ноя 10, 2021 9:37 pm

Glykin писал(а):
Ср ноя 10, 2021 9:28 pm
А кнопка-качелька ЦЗ на двери водительской присутствует? На эти провода контролькой от "-" ткните при закрытых дверях.
Присутствует. А я карту снял же и разъемы отсоединил. Работал только с разъемом замка, а он идёт отдельно от кнопок на двери. Попробовать кинуть управление на эту клавишу по схеме с минусовым управлением?
А на проводах замка (розовый и сереневый) и открытие и закрытие +12В.

Аватара пользователя
Glykin
Сообщения: 329
Зарегистрирован: Ср апр 05, 2017 2:23 pm
Откуда: Дзержинск

Re: Sheriff 1095 pro + Mitsubishi ASX

Сообщение Glykin » Ср ноя 10, 2021 9:41 pm

Так управление ЦЗ минусом, а на проводах висит "+" подпор, это я про 4,5 в. Из водительской двери управа точно выходит аналогом. Вопрос в другом, а нельзя было на достаточно современный авто взять современную сигнализацию? На кой ляд туда тулить чинувскую поделку?

Аватара пользователя
Garik5
Сообщения: 43
Зарегистрирован: Пн окт 25, 2021 6:16 pm
Откуда: Украина. Харьковская обл.

Re: Sheriff 1095 pro + Mitsubishi ASX

Сообщение Garik5 » Чт ноя 11, 2021 7:10 am

Из водительской двери управление идёт +12В, что открытие, что закрытие. Проверил и цифровым и стрелочным вольтметром. А когда на них цепляю управление ЦЗ от сигналки по схеме где тоже +12В на открытие и на закрытие то горят предохранители. А почему именно эту сигнализацию ставлю? Так это уже вопрос к хозяину или продавцу сигналок. Что привезли то и ставлю.

Я делал по схеме той, что на втором скрине. Положительная полярность. А выходит надо по схеме как на первом скрине? Отрицательной полярности?
Вложения
схема плюс.png
схема минус.png

Аватара пользователя
Glykin
Сообщения: 329
Зарегистрирован: Ср апр 05, 2017 2:23 pm
Откуда: Дзержинск

Re: Sheriff 1095 pro + Mitsubishi ASX

Сообщение Glykin » Чт ноя 11, 2021 11:28 am

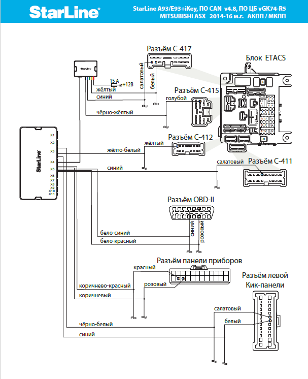
Еще раз говорю, управление "-" в левой кик панели. 2014-2016 год. При закрытых дверях ткните контролькой от "-" в эти провода.
Вложения
изображение_2021-11-11_112741.png

Аватара пользователя
Garik5
Сообщения: 43
Зарегистрирован: Пн окт 25, 2021 6:16 pm
Откуда: Украина. Харьковская обл.

Re: Sheriff 1095 pro + Mitsubishi ASX

Сообщение Garik5 » Чт ноя 11, 2021 10:54 pm

Установил. Все работает. А вся моя проблема была в плавающем контакте плюсового кабеля на мультиметре. Мучался не понимая отсутствие и скачки напряжения. ЦЗ подключил на провода по мануалу. Все работает. По схеме с минусовым управлением. Остался вопрос по автозапуску. Концевик ручника и лягушку тормоза подключил, что ещё и куда непонятно. По инструкции больше нет разъяснений.
Ещё добавлю попутно. Может кому пригодиться. Менял ещё и ГУ. Китай без опознавательных знаков. Просто большой планшет. Проблем никаких, шлейф в комплекте, камеру подключил, кнопки руля настроил но вылезла ошибка по обрыву цепи подушки пассажира. Проблема крылась в следующем - ГУ шло в комплекте с переходной рамкой, на рамке кнопка аварийки и кнолючения и индикации подушки пассажира. На родной рамке так. А на китайской (или тайваньской) только кнопка аварийки, но разъем идентичен. В общем плата китайской рамки даёт ошибку по подушке пассажира. Надо оставлять родную плату. Но она больше по размеру и не подходит по крепежа. Но я умудрился ее прикрутить саморезами в штатные места. Один саморез должен быть 15-20 мм длиной. Жаль не сфотографировал. Но родную плату на Китай поставить можно. Всем спасибо за советы.

Аватара пользователя
Glykin
Сообщения: 329
Зарегистрирован: Ср апр 05, 2017 2:23 pm
Откуда: Дзержинск

Re: Sheriff 1095 pro + Mitsubishi ASX

Сообщение Glykin » Чт ноя 11, 2021 11:41 pm

Вам нужно будет реализовать контроль заведенного двигателя, генератор либо тахометр, и самое главное, обход на время запуска иммобилайзера. Не надо подключать одновременно педаль тормоза и ручник, при АТ - педаль тормоза, МТ - ручник.

Аватара пользователя
Garik5
Сообщения: 43
Зарегистрирован: Пн окт 25, 2021 6:16 pm
Откуда: Украина. Харьковская обл.

Re: Sheriff 1095 pro + Mitsubishi ASX

Сообщение Garik5 » Пт ноя 12, 2021 9:35 am

За подсказку по ручнику спасибо. Сигнал с педали тормоза и с генератора понятно как реализовать. Непонятно назначение фиолетового провода в первом разьеме (замок зажигания) и непонятно куда подключать провод внешний запуск "-"? И обход иммобилайзера непонятен.
Вложения
шериф 2.png
шериф 1.png

Аватара пользователя
Glykin
Сообщения: 329
Зарегистрирован: Ср апр 05, 2017 2:23 pm
Откуда: Дзержинск

Re: Sheriff 1095 pro + Mitsubishi ASX

Сообщение Glykin » Пт ноя 12, 2021 10:08 am

Фиолетовый провод - Зажигание2, для управления модулем обхода иммо - темно синий №8. Внешний запуск подключать никуда не надо, он для, например, GSM управления.

Ответить

Кто сейчас на конференции

Сейчас этот форум просматривают: нет зарегистрированных пользователей и 5 гостей