Обновление ChipLoaderNG 3.7.0, подробнее тут: viewtopic.php?f=19&t=11442

Fiat doblo 1.9 JTD

Все, связанное с диагностикой авто: программы, адаптеры, приборы.

Модераторы: blistograd, chipsoft, Robin, karlson

Ответить
Аватара пользователя
wiktor20
Сообщения: 150
Зарегистрирован: Сб янв 01, 2011 10:55 pm
Откуда: староконстантинов

Fiat doblo 1.9 JTD

Сообщение wiktor20 » Чт май 18, 2023 8:29 pm

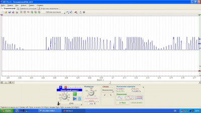
Fiat doblo 1.9 JTD 2004 год, не запускается со слов владельца плохо стал запускаться. а потом заглох в движении при заезде в гараж.Нарыли они (владелец) ошибку по дпкв, заменили толку ноль.Приволокли ко мне проверить проводку дпкв, она оказалась чистая надежная и экранирована.Двигатель слегка подхватывает и глохнет, ошибки по дпкв нет, давление в рампе около 400 при прокрутке , прокрутку видит но как то рывками.Подсмотрел сигнал осцилографом и в момент подхватывания импульсы с дпкв идут( с перебоями) в момент когда схватывания нет, импульсы отсутствуют.Для эксперимента снимал разъемы с форсунок сигнала в момент прокрутки нет.Но когда разъемы одеты сигналы идут с дпкв, как так?
В первом вложении двигатель слегка на пол секунды запустился.
Задающий диск кое как через зеркало просмотрел, ничего криминального не заметил.Иммобилайзер не? Ключ примотан к антенне изолентой под кожухом руля.Хотя без ключа вспышек вообще нет.
Вложения
Безымянныйfiatfiat1.jpg
Безымянныйfiat.jpg

sabon
Сообщения: 315
Зарегистрирован: Сб апр 26, 2008 9:42 pm
Откуда: Кривой Рог

Re: Fiat doblo 1.9 JTD

Сообщение sabon » Пт май 19, 2023 9:07 am

А воздушный зазор на ДПКВ ? Было похожее на гольфе 1.9 , проточил датчик на 0.5 мм , наверное ржавчина на посадочном месте увеличивает зазор, но туда тяжело добраться, проточил и всё наладилось, только датчик там был индукционный.
мир!труд!май!июнь!июль!ОТПУСК!

Аватара пользователя
wiktor20
Сообщения: 150
Зарегистрирован: Сб янв 01, 2011 10:55 pm
Откуда: староконстантинов

Re: Fiat doblo 1.9 JTD

Сообщение wiktor20 » Пт май 19, 2023 11:35 am

Полезу замеры производить.Там чертовски тесно.
Но почему сигнал идет когда двигатель подхватывает, а при отключении форсунок сигналы отсутствуют?
Подточил дпкв схватывать стал лучше, но не запускается .
Свечи не рабочие, может в этом причина, хотя владелец сказал что он в курсе и так 2 года ездил.Но со слов хазяина заглох в движении?

Аватара пользователя
PWPetro
Сообщения: 1023
Зарегистрирован: Вт май 08, 2007 6:09 pm
Откуда: Украина, Чернигов

Re: Fiat doblo 1.9 JTD

Сообщение PWPetro » Пт май 19, 2023 1:36 pm

Толкать под попку пробывали ? Или шворочкой потянуть ?

Аватара пользователя
wiktor20
Сообщения: 150
Зарегистрирован: Сб янв 01, 2011 10:55 pm
Откуда: староконстантинов

Re: Fiat doblo 1.9 JTD

Сообщение wiktor20 » Пт май 19, 2023 2:45 pm

Нет не пробовал, стартер не может помехи фигачить? Снял осцилограму дпкв, дпрв, форсунка, там такая ересь.Это во время прокрутки стартером.

Ответить

Кто сейчас на конференции

Сейчас этот форум просматривают: Google [Bot] и 31 гость