Чтобы наверняка, попробуйте прошить ЭБУ на столе. Кроме того, с некоторыми USB адаптерами связь с ЭБУ не устанавливается с первого раза. Т.е. после того как появилась ошибка установления связи, установите ее повторно.andig писал(а): Запустил ChipLoader 1.6 lite Установка связи - ошибка считывания BootStrap!
Обновление ChipLoaderNG 3.7.0, подробнее тут: viewtopic.php?f=19&t=11442
Прошивка Сенс первый раз. помощь чайнику
Модераторы: blistograd, chipsoft, Robin, karlson
Может ли связь с ЭБУ зависеть от драйверов, установленых для USB K-Line адаптера? У меня USB K-Line адаптер на FT232BM и MC33199. Если кто то пользуется таким же адаптером, поделитесь пожалуйста драйверами. Возможно с моими драйверами не коректно работает. Или может есть какие то особенности при работе с даными адаптерами?
У меня тоже ноут и я пользуюсь заводским переходником USB-COM, драва установил, он определился как COM-1 и все работает, твоя прога его видит если ты смог зайти в режим диагностики. С новой программой ChipLoader 1.7 у меня тоже возникла такая же проблема, установил другую скорость обмена и все заработало. На разъеме в Сенсе для перепрограмирования ЭБУ нужно подать на контакт С +12В. Пробуй, удачи.
С портами СОМ-3 или СОМ-4 не все проги работают нормально, надо переименовать его на СОМ-1, делаеш это так, Мой компьютер-свойства-оборудование-диспечер устройств-последовательный порт-параметры порта-дополнительно и устанавливаеш его как СОМ-1.
Пробуй должно получится, ну если нет то тогда скину тебе драва тока завтра, а то ноут оставил на работе.
Пробуй должно получится, ну если нет то тогда скину тебе драва тока завтра, а то ноут оставил на работе.
Здраствуйте! вот такая проблемка у меня! залил на сенс вместо стандартной v09nss130020, евро2 V09NSS132020sport все хорошо! продиагностировал АКМ выставил Go и Gob на ХХ, как рекомендовали.
сажусь включаю передачу даю газу загорается ошибка. а на холостом ходу даю газу ошибка не высвечивается, ноута нет что бы машину проверить на ходу! может кто нить знает что за ошибка и как ее устранить???? и еще холостой ход в машине нестабильный скачат постоянно от 790 до 900
это нормально?????? может порекомендуете что поклацать в АКМ еще????
сажусь включаю передачу даю газу загорается ошибка. а на холостом ходу даю газу ошибка не высвечивается, ноута нет что бы машину проверить на ходу! может кто нить знает что за ошибка и как ее устранить???? и еще холостой ход в машине нестабильный скачат постоянно от 790 до 900

- dl
- Сообщения: 120
- Зарегистрирован: Ср янв 24, 2007 12:29 pm
- Откуда: Павлоград, Днепропетровская обл.
На самом деле ничего у него не читается, если заглянуть внутрь слитой прошивки, то там одни нули. Это какой то глюк CTP. Чтобы я не был голословным, пусть человек выложит то, что слилось, на форум. Он просто жмет кнопку чтение Flash, и вроде идет считывание, но на самом деле соединения никакого не произошло.chipsoft_ru писал(а):даже теоретически врядли такое может быть, что из-за драйверов ЮСБ ЭБУ только читается, но не пишется.
100% уверен, что файл будет забит нулями. Борюсь сейчас с этой же ситуацией. Диагностика работает, а чтение/запись - нет.
Я не могу понять, если от ЭБУ все необходимые линии (имеются ввиду 55 контакт и контакт разрешения программирования) идут на диагностическую колодку, то какая разница - шить на столе или через диагностический разъем? Я уже перешивал свой сенс (2006 год, лямбда, без RCO) с помощью загрузчика ПАК-2, так вот он тоже через диагностику не захотел шить. Выдает что то по поводу bootstrap и тишина. Скорости порта перебирал, питание дергал - ничего это не дает. Может надо клемму на аккумуляторе откидывать - ведь когда шьешь на столе, питание вначале вообще не подается на ЭБУ, а в машине он постоянно запитан. Или играет роль длина проводов от колодки диагностики до ЭБУ?
Последний раз редактировалось dl Пн мар 12, 2007 12:52 pm, всего редактировалось 1 раз.
- dl
- Сообщения: 120
- Зарегистрирован: Ср янв 24, 2007 12:29 pm
- Откуда: Павлоград, Днепропетровская обл.
у тебя машина скорее всего без лямбды, а в прошивке она включена.ATRIX писал(а):Здраствуйте! вот такая проблемка у меня! залил на сенс вместо стандартной v09nss130020, евро2 V09NSS132020sport все хорошо!
но это все гадание на кофейной гуще. Выложи свою родную и ту, что залил, прошивки. В CTP их можно сравнить, и все сразу станет ясно.
Ну вы ребята даетеATRIX писал(а):Здраствуйте! вот такая проблемка у меня! залил на сенс вместо стандартной v09nss130020, евро2 V09NSS132020sport

А по поводу перепрограмировании через разъем диагностики, все время так и делаю ни одного случая чтоб не получилось, внимательно подключайте провода в разъеме.
- dl
- Сообщения: 120
- Зарегистрирован: Ср янв 24, 2007 12:29 pm
- Откуда: Павлоград, Днепропетровская обл.
А можешь написать как ты все делаешь?rusik писал(а): А по поводу перепрограмировании через разъем диагностики, все время так и делаю ни одного случая чтоб не получилось, внимательно подключайте провода в разъеме.
когда-то ты писал "На Сенсе всегда перешиваю через разъем т. е. не снимаю блок. Ставлю перемычку между G и С +12В, А масса, М К-лайн, включаеш зажигание и в перед"
Какой у тебя адаптер и как все подключено в машине? Ты просто перемычку ставишь, или через резистор 1,5--4кОм?
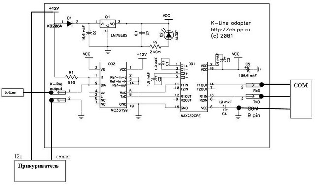
У меня все подключено по схеме, которая во вложении к сообщению.
Где у меня может быть ошибка?
- Вложения
-
- схема.jpg (40.16 КБ) 6653 просмотра
По поводу USB k-line адаптера.
Пробовал разные драйвера, пробовал двумя ноутбуками - связи нет.
Тогда запустил тест СОМ порта с помощью програмы CheckIt 3.0.
В окнах приема - передачи символов либо вообще нет либо проходит только их часть и обрыв. Тогда решил сделать такой же тест на 2 стационарных компьютерах - тест пройден успешно!
Вывод: драйвера нормальные и USB k-line адаптер работает но только на стационарных компьютерах. Позже притащу в гараж стационарный комп и попробую прошить ЭБУ еще раз.
Когда то читал, что питание USB стационарных компов - 5В, а ноутбуков ниже (около 3). Может с этим связана проблема.
Насчет скачаных с ЭБУ flash.bin и eeprom.bin - выкладываю. Там же и и то что стянул с помощью TMonitor.
Пробовал разные драйвера, пробовал двумя ноутбуками - связи нет.
Тогда запустил тест СОМ порта с помощью програмы CheckIt 3.0.
В окнах приема - передачи символов либо вообще нет либо проходит только их часть и обрыв. Тогда решил сделать такой же тест на 2 стационарных компьютерах - тест пройден успешно!
Вывод: драйвера нормальные и USB k-line адаптер работает но только на стационарных компьютерах. Позже притащу в гараж стационарный комп и попробую прошить ЭБУ еще раз.
Когда то читал, что питание USB стационарных компов - 5В, а ноутбуков ниже (около 3). Может с этим связана проблема.
Насчет скачаных с ЭБУ flash.bin и eeprom.bin - выкладываю. Там же и и то что стянул с помощью TMonitor.
- Вложения
-
- my.rar
- (6.76 КБ) 221 скачивание
Кто сейчас на конференции
Сейчас этот форум просматривают: нет зарегистрированных пользователей и 25 гостей