Форум по чиптюнингу. Прошивки, программы, методы работы.
Модераторы: blistograd, chipsoft, Robin, karlson
-
Sv
- Сообщения: 84
- Зарегистрирован: Пн май 26, 2014 12:45 pm
- Откуда: Краснодар
Сообщение
Sv » Вт фев 27, 2018 9:49 am
Добрый вечер всем.
Мужики,у кого есть редактор для микас 11 посморите,есть ли поддержка кондиционера в прилагаемой прошивке.
Пытаюсь подключить кондей через эбу,но почему то ЭБУ не поднимает обороты при подачи питания на 75-ю ногу.
прошивку считанную прилагаю
-
Вложения
-
- NEWFILE.rar
- (202.73 КБ) 213 скачиваний
-
Богдан
- Сообщения: 1353
- Зарегистрирован: Ср ноя 11, 2009 7:58 pm
- Откуда: Украина
Сообщение
Богдан » Вт фев 27, 2018 12:17 pm
Кондер включен!
0954918076,0977796493 Изготовление и продажа тюнинговых прошивок,ремонт систем впрыска любой сложности и многое другое.
-
Sv
- Сообщения: 84
- Зарегистрирован: Пн май 26, 2014 12:45 pm
- Откуда: Краснодар
Сообщение
Sv » Вт фев 27, 2018 4:05 pm
Богдан писал(а):Кондер включен!
Спасибо!
Буду разбираться дальше,хотя странно,должно ведь работать.
-
injektor
- Сообщения: 703
- Зарегистрирован: Пн июн 09, 2008 6:06 pm
- Откуда: UA, Александрия
Сообщение
injektor » Ср фев 28, 2018 12:20 am
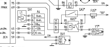
А кондиционер включается? 69 ножку через катушку реле на 75 подключили? А то, по идее, будет ошибка обрыва цепи реле кондиционера и режим кондиционера включаться не должен.
Компьютерная диагностика, ремонт, чип-тюнинг. Изготовление, привязка чип-ключей и брелков к авто...
тел. 066 7763335
-
Sv
- Сообщения: 84
- Зарегистрирован: Пн май 26, 2014 12:45 pm
- Откуда: Краснодар
Сообщение
Sv » Вс мар 04, 2018 9:10 am
injektor писал(а):А кондиционер включается? 69 ножку через катушку реле на 75 подключили? А то, по идее, будет ошибка обрыва цепи реле кондиционера и режим кондиционера включаться не должен.
Ошибки не будет.
По поводу включения кондея разобрался,надо было на 75 ногу цеплять минус а не плюс.Я по старой памяти подавал плюс,как на микасе 7.1
-
injektor
- Сообщения: 703
- Зарегистрирован: Пн июн 09, 2008 6:06 pm
- Откуда: UA, Александрия
Сообщение
injektor » Вс мар 04, 2018 11:14 pm
Странно... Согласно схемы надо +
-
Вложения
-

Компьютерная диагностика, ремонт, чип-тюнинг. Изготовление, привязка чип-ключей и брелков к авто...
тел. 066 7763335
-
Sv
- Сообщения: 84
- Зарегистрирован: Пн май 26, 2014 12:45 pm
- Откуда: Краснодар
Сообщение
Sv » Пн мар 05, 2018 11:29 am
Я много схем пересмотрел,однако нужен минус
Всем удачи!
Кто сейчас на конференции
Сейчас этот форум просматривают: Bing [Bot] и 28 гостей