Вопросы и темы по загрузчику ChipLoader
Модератор: chipsoft
-
chipsoft
- CHIPSOFT.UA
- Сообщения: 8318
- Зарегистрирован: Вс дек 18, 2005 1:23 pm
- Откуда: Украина, Киев
Сообщение
chipsoft » Пн сен 15, 2014 6:40 pm
Да, можно
CHIPSOFT J2534 Pro: 5 CAN BUS, 1 SWCAN, 8 KLine, 5 - 20V Voltage generator
Онлайн магазин CHIPSOFT: shop.chipsoft.com.ua
-
Линур
- Сообщения: 42
- Зарегистрирован: Ср янв 29, 2014 12:35 pm
- Откуда: Кукмор.Татарстан
Сообщение
Линур » Пн сен 15, 2014 8:10 pm
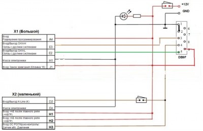
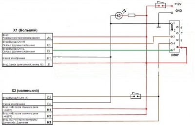
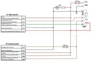
Всем добрый вечер, купил кабель для М74CAN еще не имея на руках хелпа к обновленной версии загрузчика, кабель предназначался для загрузчика K + CAN Loader НПО Ителма. Я чуток его подшаманил под Chipsoft CAN адаптер, но прочитав хелп понял что не все пины задействованы, помогите пожалуйста разобраться, куда и что еще добавить, в долгу не останусь, можно и в личку, там договоримся.
-
Вложения
-

-
D-mas51
- Сообщения: 54
- Зарегистрирован: Пн мар 03, 2014 9:57 pm
- Откуда: Полярные Зори
Сообщение
D-mas51 » Пн сен 15, 2014 8:29 pm
С какими блооками может косячить Опенпорт?
-
vartan
- Сообщения: 404
- Зарегистрирован: Вт май 19, 2009 7:43 pm
- Откуда: tashkent
Сообщение
vartan » Пн сен 15, 2014 8:29 pm
А вроде не через розетку?
-
chipsoft
- CHIPSOFT.UA
- Сообщения: 8318
- Зарегистрирован: Вс дек 18, 2005 1:23 pm
- Откуда: Украина, Киев
Сообщение
chipsoft » Пн сен 15, 2014 8:32 pm
D-mas51 писал(а):С какими блооками может косячить Опенпорт?
Про ограничения Опенпорта в этой теме я писал.
CHIPSOFT J2534 Pro: 5 CAN BUS, 1 SWCAN, 8 KLine, 5 - 20V Voltage generator
Онлайн магазин CHIPSOFT: shop.chipsoft.com.ua
-
Линур
- Сообщения: 42
- Зарегистрирован: Ср янв 29, 2014 12:35 pm
- Откуда: Кукмор.Татарстан
Сообщение
Линур » Вт сен 16, 2014 12:08 am
chipsoft писал(а):Да, можно
У меня К-Line адаптер пишет на много быстрее, с чем это связано?
-
gonta
- Сообщения: 386
- Зарегистрирован: Чт авг 23, 2012 3:38 pm
- Откуда: Страна агрессор
Сообщение
gonta » Вт сен 16, 2014 6:15 am
Линур писал(а):Всем добрый вечер, купил кабель для М74CAN еще не имея на руках хелпа к обновленной версии загрузчика, кабель предназначался для загрузчика K + CAN Loader НПО Ителма. Я чуток его подшаманил под Chipsoft CAN адаптер, но прочитав хелп понял что не все пины задействованы, помогите пожалуйста разобраться, куда и что еще добавить, в долгу не останусь, можно и в личку, там договоримся.
Распин адаптера соответствует, а вот пины в разъемах надо будет перекинуть-там вообще не верно.И резистор повесить на подтяжку HI линии кан.
Ко мне обращаться всегда на ты.
-
Olegator
- Сообщения: 39
- Зарегистрирован: Вт дек 18, 2007 3:30 pm
- Откуда: Россия ,Воронежская обл.г.Лиски
Сообщение
Olegator » Вт сен 16, 2014 9:16 am
пробую считать грантовский m7.4 через Openport выдает ошибку 16.С комбиком все работает.Что не так?
-
chipsoft
- CHIPSOFT.UA
- Сообщения: 8318
- Зарегистрирован: Вс дек 18, 2005 1:23 pm
- Откуда: Украина, Киев
Сообщение
chipsoft » Вт сен 16, 2014 9:42 am
Olegator писал(а):пробую считать грантовский m7.4 через Openport выдает ошибку 16.С комбиком все работает.Что не так?
Нет ответа от ЭБУ. Проверяйте подключения.
CHIPSOFT J2534 Pro: 5 CAN BUS, 1 SWCAN, 8 KLine, 5 - 20V Voltage generator
Онлайн магазин CHIPSOFT: shop.chipsoft.com.ua
-
Olegator
- Сообщения: 39
- Зарегистрирован: Вт дек 18, 2007 3:30 pm
- Откуда: Россия ,Воронежская обл.г.Лиски
Сообщение
Olegator » Вт сен 16, 2014 9:51 am
достаточно ли одного опенпорта или еще нужен к-лайн адаптер?
-
chipsoft
- CHIPSOFT.UA
- Сообщения: 8318
- Зарегистрирован: Вс дек 18, 2005 1:23 pm
- Откуда: Украина, Киев
Сообщение
chipsoft » Вт сен 16, 2014 10:21 am
Olegator писал(а):достаточно ли одного опенпорта или еще нужен к-лайн адаптер?
Достаточно. Только КЛинию адаптера нужно подключать к ЭБУ. В комбилоадере КЛиния J2534 устройства не подключается, а используется КЛиния хвоста.
CHIPSOFT J2534 Pro: 5 CAN BUS, 1 SWCAN, 8 KLine, 5 - 20V Voltage generator
Онлайн магазин CHIPSOFT: shop.chipsoft.com.ua
-
Olegator
- Сообщения: 39
- Зарегистрирован: Вт дек 18, 2007 3:30 pm
- Откуда: Россия ,Воронежская обл.г.Лиски
Сообщение
Olegator » Вт сен 16, 2014 10:25 am
Спасибо,с к линией засада:)
-
Ержан
- Сообщения: 15
- Зарегистрирован: Вт сен 16, 2014 11:04 am
- Откуда: Астана
Сообщение
Ержан » Вт сен 16, 2014 11:51 am
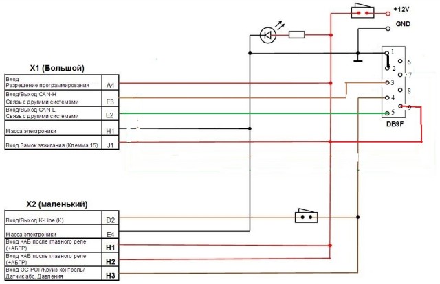
Здравствуйте!!! Приехала Приора с блоком как М74 не ожидал такого вроде сколько делал всегда был М17.9.7 а тут на тебе М74 прошивка I427DC03 я так понял блок кановый, возьмет его м74 кан??? И про подтяжку 5 вольт не понятно. Это получается надо взять с X1:K1 через резистор 470-510 Ом соединить на X1-E3 - CAN Hi. Поправите если не так.
-
Линур
- Сообщения: 42
- Зарегистрирован: Ср янв 29, 2014 12:35 pm
- Откуда: Кукмор.Татарстан
Сообщение
Линур » Вт сен 16, 2014 12:33 pm
Ержан писал(а): И про подтяжку 5 вольт не понятно. Это получается надо взять с X1:K1 через резистор 470-510 Ом соединить на X1-E3 - CAN Hi. Поправите если не так.
Тоже интересует этот вопрос, а то чиплодырь ошибку 16 выдает, хотя не кановый шьет на ура, видимо косяк именно с пятью вольтами.
-
chipsoft
- CHIPSOFT.UA
- Сообщения: 8318
- Зарегистрирован: Вс дек 18, 2005 1:23 pm
- Откуда: Украина, Киев
Сообщение
chipsoft » Вт сен 16, 2014 12:43 pm
В файле справки описано, куда нужно +5В подать.
CHIPSOFT J2534 Pro: 5 CAN BUS, 1 SWCAN, 8 KLine, 5 - 20V Voltage generator
Онлайн магазин CHIPSOFT: shop.chipsoft.com.ua
Кто сейчас на конференции
Сейчас этот форум просматривают: нет зарегистрированных пользователей и 17 гостей