Обновление ChipLoaderNG 3.7.0, подробнее тут: viewtopic.php?f=19&t=11442
Продам платы переходник Blue Chip для чипа Ланос, Нексия
Модераторы: blistograd, chipsoft
не понятно что имеется ввиду- Если делать "1" на A15 (1 выв.) за ранее, по отрицательному перепаду...iffa писал(а): Если делать "1" на A15 (1 выв.) за ранее, по отрицательному перепаду,
То кроме пользы никакого вреда не будет?
Если на 1 ноге высокий, чтение ведется с 8000.
Если низкий, с 0000
"за ранее, по отрицательному перепаду..." - это как?
Бог ты мой.. к чему такая схема? то. сразу не увидел.
Для чего эта схема?
Двухрежимка ?
Если да... тогда-
К чему изобретать велосипед, если уже давно изобретен?
Кварцы.. оптопары..
В первом топике темы, двухрежимки, тоже - переключается когда нет чтения с памяти.. тоже нет дребизга контактов...
и тоже на тм2, только на забугорном.
и нет "лишних" деталей.
И обкатано уже больше 4 лет без нариканий.
Я не автор схемы, использую готовую.Автору спасибо еще раз.
Раньше благодарил. Лишний раз не помешает.

Двухрежимка ?
Если да... тогда-
К чему изобретать велосипед, если уже давно изобретен?
Кварцы.. оптопары..
В первом топике темы, двухрежимки, тоже - переключается когда нет чтения с памяти.. тоже нет дребизга контактов...
и тоже на тм2, только на забугорном.
и нет "лишних" деталей.
И обкатано уже больше 4 лет без нариканий.
Я не автор схемы, использую готовую.Автору спасибо еще раз.
Раньше благодарил. Лишний раз не помешает.

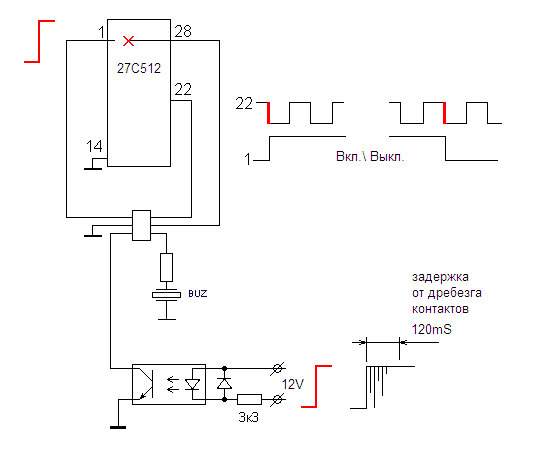
ну да, для двухрежимки.
нету кварца, это буззер (пищалка)
оптопара копейки стоит, почему б и не "отвязать" мозг от нелёгкой жизни,
просто стабилитрон поставить - на землю то он пойдёт через контактик разъёма ПЗУ,
как бы оптопара радикальное решение защиты
нету кварца, это буззер (пищалка)
оптопара копейки стоит, почему б и не "отвязать" мозг от нелёгкой жизни,
просто стабилитрон поставить - на землю то он пойдёт через контактик разъёма ПЗУ,
как бы оптопара радикальное решение защиты
- Вложения
-
- защита.PNG (1.32 КБ) 12195 просмотров
iffa, а зачем все это?
Бузер то зачем?
чем схема та что выше, не нравится?
оптопара отвязывает от нелегкой жизни блок?
Я вообще не могу понять, зачем у вас берется 12 вольт, через оптопару и в схему.
Зачем такие сложности? Которые еще кроме всего нужно через отопрару развязывать... конечно 12 вольт..
Спросите за 4 года есть блоки уваленные этой схемой?
Даже остаются живими без проблем, если юзеры плату верх ногами ставят, не соблюдая ключи.
Что в схеме что вы предлагаете, есть инновационное?
Бузер то зачем?
чем схема та что выше, не нравится?
оптопара отвязывает от нелегкой жизни блок?
Я вообще не могу понять, зачем у вас берется 12 вольт, через оптопару и в схему.
Зачем такие сложности? Которые еще кроме всего нужно через отопрару развязывать... конечно 12 вольт..
Спросите за 4 года есть блоки уваленные этой схемой?
Даже остаются живими без проблем, если юзеры плату верх ногами ставят, не соблюдая ключи.
Что в схеме что вы предлагаете, есть инновационное?
Я ж не против, хорошая схема, ну корпус ТМ2 мне не нравится,
большой он очень, на одностороннюю платку не влезает.
А оптопара, чтоб не лепить дополнительные кнопки а взять 12В
прямо с газового клапана, например.
Или с выхода газового переключателя
там релюшка стоит, на клапан 12В даёт.
Ну пищалка, ещё, чтоб пикала разным тоном, когда переключается.
Ножка просто свободная остаётся, надо её чем ни будь занять, пусть пикает.
большой он очень, на одностороннюю платку не влезает.
А оптопара, чтоб не лепить дополнительные кнопки а взять 12В
прямо с газового клапана, например.
Или с выхода газового переключателя
там релюшка стоит, на клапан 12В даёт.
Ну пищалка, ещё, чтоб пикала разным тоном, когда переключается.
Ножка просто свободная остаётся, надо её чем ни будь занять, пусть пикает.
Прикольно... 12 вольт с реле газового клапана..
А свободные контакты того же реле, что мешает использовать вместо кнопки? Религия? Именно контакты реле, а не питание его катушки!
Чтобы не городить оптопары... и т.д. Вот где городушки так городушки.
тм2 корпус большой? смд микросхема, маленькая, влезет на любую плату. у меня раньше были односторонние, с той же схемой.
И еще вопрос- не проще купить готовое и рабочее? Копейки же стоит!
А свободные контакты того же реле, что мешает использовать вместо кнопки? Религия? Именно контакты реле, а не питание его катушки!
Чтобы не городить оптопары... и т.д. Вот где городушки так городушки.
тм2 корпус большой? смд микросхема, маленькая, влезет на любую плату. у меня раньше были односторонние, с той же схемой.
И еще вопрос- не проще купить готовое и рабочее? Копейки же стоит!
Упростили?? Где же упростили, если наоборот нагородили.
Зачем оптопара??? Зачем?
Зачем стабилитрон?
Бузер.. ну если интересно чтобы бибикало.. может быть.. дело любителя.
А остальное? Какое же здесь упрощение схемы, Паять меньше?
Функционал больше?
в чем функционал то больше?
Как по мне, так паять больше, элементов больше, огород настоящий насчет оптопары.
К чему оптопара? если если есть тоже реле , только не его катушка, к которой вы хотите свою оптопару городить, а его контакты.
Ввобще, вводить в схему , хоть через оптопару, хоть с стабилитроном... да еще как вы выражаетесь" чтобы блоку легче жилось" , - 12 вольт- Полная ахинея!
Ерунда да и только ваша схема. Вы хотели мнение? Вы его получили.
Ваша схема, не только утяжеляет конструкцию, она ее довешивает совершено не нужными деталями. Да еще не как не легче от этого будет блоку.
Чем ваша схема, проще от нашей, ? у нас, деталей- микросхема, три сопротивления.. и все!!!! А у вас?
Какой у вас функционал больше?
Аргументы давайте, а не пустые слова.
Единственный плюс. хотя не знаю. еще не разбирался с даташитом в плсс32, так это в корпусе в этом винбонды дешевле.
Хотя для чиптюнера , разница в цене в этом случае, не актуальна.
Зачем оптопара??? Зачем?
Зачем стабилитрон?
Бузер.. ну если интересно чтобы бибикало.. может быть.. дело любителя.
А остальное? Какое же здесь упрощение схемы, Паять меньше?
Функционал больше?
в чем функционал то больше?
Как по мне, так паять больше, элементов больше, огород настоящий насчет оптопары.
К чему оптопара? если если есть тоже реле , только не его катушка, к которой вы хотите свою оптопару городить, а его контакты.
Ввобще, вводить в схему , хоть через оптопару, хоть с стабилитроном... да еще как вы выражаетесь" чтобы блоку легче жилось" , - 12 вольт- Полная ахинея!
Ерунда да и только ваша схема. Вы хотели мнение? Вы его получили.
Ваша схема, не только утяжеляет конструкцию, она ее довешивает совершено не нужными деталями. Да еще не как не легче от этого будет блоку.
Чем ваша схема, проще от нашей, ? у нас, деталей- микросхема, три сопротивления.. и все!!!! А у вас?
Какой у вас функционал больше?
Аргументы давайте, а не пустые слова.
Единственный плюс. хотя не знаю. еще не разбирался с даташитом в плсс32, так это в корпусе в этом винбонды дешевле.
Хотя для чиптюнера , разница в цене в этом случае, не актуальна.
только спросить в общем то хотел, на счёт выборки из ПЗУ.
если кого обидел - дико извиняюсь.
аргументы:
микросхемка - 6 ножек
оптопара - 4 ножки
пищалка - 2 ножки
итого 12 ножек
а только у ТМ2 14 ножек
разве это меньше паять?
функционал очевидно больше,
звуковая индикация разной тональности,
(вместо светодиода, и провода к нему тянуть через салон)
гальваническая развязка внутренностей блока,
(по входам же защит хватает, а просто провода из салона к ТМ2+ПЗУ оно может и не страшно...)
программный "фильтр" дребезга контактов
ну возможности микроконтроллера и простой логики сравнивать, не корректно.
если кого обидел - дико извиняюсь.
аргументы:
микросхемка - 6 ножек
оптопара - 4 ножки
пищалка - 2 ножки
итого 12 ножек
а только у ТМ2 14 ножек

разве это меньше паять?
функционал очевидно больше,
звуковая индикация разной тональности,
(вместо светодиода, и провода к нему тянуть через салон)
гальваническая развязка внутренностей блока,
(по входам же защит хватает, а просто провода из салона к ТМ2+ПЗУ оно может и не страшно...)
программный "фильтр" дребезга контактов
ну возможности микроконтроллера и простой логики сравнивать, не корректно.
люди пещалки ремней безопасности отключают... а тут бибиколка прошивки! Практично и полезно!звуковая индикация разной тональности,
Развязка??? Ну если использовать с дуру катушку газового реле, на 12 вольт.. то да.. . А если по нормальному просто контакты реле, то зачем такое нужно?гальваническая развязка внутренностей блока,
(по входам же защит хватает, а просто провода из салона к ТМ2+ПЗУ оно может и не страшно...)
Развязка только на "вид". Очень не практично заводить 12 вольт в схему, где есть масимум 5. пусть даже через оптопару.
Глупость величайшая а не достоинство!
, круто! а зачем? зачем программный нужен, если есть логический на тригере? + привязка к стобу, чтобы переключение было мягким и без последствий , и только в момент когда нет чтении из памяти.программный "фильтр" дребезга контактов
И все это на одной 14 ногой ис. Без Микроконтроллера.
Ну если микроконтроллер.. с его супер возможностями.. особенно в этой схеме.. то может быть забабахаете в онлай режими и коректировку прошивки? ведь у него есть возможности.. Будет чип тюнинг на ходу.. по интерфейсу юсб и что там есть у этого 6 ногого монстра. Это он? И что это за микроконтроллер?ну возможности микроконтроллера и простой логики сравнивать, не корректно.
Даже интересно.
И не кого вы не обидели.
Просто не могу понять, почему вы настаиваете что городушка(по другому не назовеш) ваша имеет ДОСТОИНСТВА.
Если их просто нет!
Одни недостатки.
Почему вы используете 12 вольт для переключения прошивки??? иза этого нарисовалась "гальвани.. развязка".
Зачем???
Почему не использовать контакты реле? того же.. с которого вы берете 12 вольт. ? почему?
в чем лучше взять 12 вольт, развязывать их, городить схему развязки и т.д.. защит.. !
Ответьте хотя бы на этот вопрос вразумительно.
Если уже спрашиваете в этой теме и говорите об "Достоинствах" схемы предложенной вами.
-
- Сообщения: 1114
- Зарегистрирован: Пт май 08, 2009 8:54 pm
- Откуда: УКРАЇНА, Киевская область.Блиставица
учитывая отсутствие диповских винбондов..
Космодром в харькове и наш ВадимК изобрели вот такое..
все тоже но на плсс32
Дима.. давай на ПЛСС переходи... они по 6 грн и их навалом.. а вот диповских я в Киеве на имраде не нашел..а срочно нуна было..
Космодром в харькове и наш ВадимК изобрели вот такое..
все тоже но на плсс32
Дима.. давай на ПЛСС переходи... они по 6 грн и их навалом.. а вот диповских я в Киеве на имраде не нашел..а срочно нуна было..
- Вложения
-
- 2013-04-13 09.13.21.jpg (470.73 КБ) 12056 просмотров
очень злой модератор
У нас ещё есть пока. На прошлой неделе брал "саблю" (15 шт.). Выборочно проверил несколько - нормально. А PLCC было бы неплохо как альтернатива это точно.blistograd писал(а):Дима.. давай на ПЛСС переходи... они по 6 грн и их навалом.. а вот диповских я в Киеве на имраде не нашел..а срочно нуна было..

Кто сейчас на конференции
Сейчас этот форум просматривают: нет зарегистрированных пользователей и 32 гостя