Обновление ChipLoaderNG 3.7.0, подробнее тут: viewtopic.php?f=19&t=11442

Вопрос о USB K-Line адаптере продоваемом на chipsoft.ru

Обсуждаются вопросы, связанные со всевозможным железом, использующемся для чип-тюнинга и диагностики (K-Line алаптеры, дилерское оборудование,...)

Модераторы: blistograd, chipsoft

Роман Г
Сообщения: 128
Зарегистрирован: Вс июн 22, 2008 7:31 pm
Откуда: Одесса

Сообщение Роман Г » Сб июл 06, 2013 12:44 pm

Прошу совета по поводу K-l адаптера. Что может быть причиной того, что он не выходит на связь, при этом светодиод загорается когда подключено питание, но после того, как включено зажигание на авто диод гаснет? Тест через гипертерминал в windows не проходит...

Аватара пользователя
chipsoft
CHIPSOFT.UA
Сообщения: 8318
Зарегистрирован: Вс дек 18, 2005 1:23 pm
Откуда: Украина, Киев

Сообщение chipsoft » Сб июл 06, 2013 1:08 pm

Роман Г писал(а):Прошу совета по поводу K-l адаптера. Что может быть причиной того, что он не выходит на связь, при этом светодиод загорается когда подключено питание, но после того, как включено зажигание на авто диод гаснет? Тест через гипертерминал в windows не проходит...
Какая версия адаптера у Вас? С одним или двумя светодиодами? На столе без ЭБУ подключенным питанием горит зеленый светодиод?
Подобная проблема была, когда КЛинию не туда подключили.
CHIPSOFT J2534 Pro: 5 CAN BUS, 1 SWCAN, 8 KLine, 5 - 20V Voltage generator
Онлайн магазин CHIPSOFT: shop.chipsoft.com.ua

Роман Г
Сообщения: 128
Зарегистрирован: Вс июн 22, 2008 7:31 pm
Откуда: Одесса

Сообщение Роман Г » Сб июл 06, 2013 2:07 pm

chipsoft писал(а):
Роман Г писал(а):Прошу совета по поводу K-l адаптера. Что может быть причиной того, что он не выходит на связь, при этом светодиод загорается когда подключено питание, но после того, как включено зажигание на авто диод гаснет? Тест через гипертерминал в windows не проходит...
Какая версия адаптера у Вас? С одним или двумя светодиодами? На столе без ЭБУ подключенным питанием горит зеленый светодиод?
Подобная проблема была, когда КЛинию не туда подключили.
Версия с одним светодиодом. На столе не пробовал. Раньше этим шнурком без проблем пользовался, потом стала проявляться нестабильность подключения, и я его отложил про запас. А тут решил разобраться....

Аватара пользователя
вадимк
Сообщения: 1371
Зарегистрирован: Ср янв 02, 2008 7:35 pm
Откуда: Украина.Киев

Сообщение вадимк » Вс июл 07, 2013 4:00 pm

При подключении 12в микросхема драйвера запитана,но ЭБУ автомобиля нет.Через ЭБУ к-линия подсаживается на массу.По этому светится светодиод.После включения зажигания на драйвере в ЭБУ появляется 12в и светодиод гаснет.Если номер СОМ порта совпадает с номером в программе диагностики,то должны идти посылки на ЭБУ и светодиод моргать им в такт.
Ремонт электроники тел.+38 096-376-95-99

Роман Г
Сообщения: 128
Зарегистрирован: Вс июн 22, 2008 7:31 pm
Откуда: Одесса

Сообщение Роман Г » Пн июл 08, 2013 8:11 am

вадимк писал(а):При подключении 12в микросхема драйвера запитана,но ЭБУ автомобиля нет.Через ЭБУ к-линия подсаживается на массу.По этому светится светодиод.После включения зажигания на драйвере в ЭБУ появляется 12в и светодиод гаснет.Если номер СОМ порта совпадает с номером в программе диагностики,то должны идти посылки на ЭБУ и светодиод моргать им в такт.
Раньше так и было- диод моргал при подключении. Сейчас нет. Номер com порта естественно выставлен правильно. Шнурок проверил тоже....

Аватара пользователя
вадимк
Сообщения: 1371
Зарегистрирован: Ср янв 02, 2008 7:35 pm
Откуда: Украина.Киев

Сообщение вадимк » Пн июл 08, 2013 9:08 am

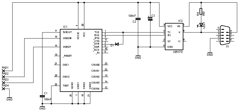
Вот схема.Нужно проверить осциллом наличие посылок на 1-й ноге FTDI.
Вложения
sxema.png
sxema.png (3.13 КБ) 7600 просмотров
Ремонт электроники тел.+38 096-376-95-99

_AlexSander_
Сообщения: 481
Зарегистрирован: Вс авг 21, 2011 12:43 am
Откуда: ZP

Сообщение _AlexSander_ » Пн июл 08, 2013 8:10 pm

да можно и без осцила коротниуть меж собой РХ-ТХ и прогой гипертерманал (в винде ХП) создать подключение используя порт ФТшки. если в окошке после "поднятия" трубки будет писать то же, что вы набираетет на клаве, то значит работает и ищем дальше.

valkaz
Сообщения: 27
Зарегистрирован: Сб янв 03, 2009 8:11 pm
Откуда: НАБ. ЧЕЛНЫ

Сообщение valkaz » Пт янв 03, 2014 11:12 am

может кто сталкивался . адаптер и шнур обд-2 от чипсофта. был пртобретен для м1797. перед началом работы делал тестирование к-лайна адаптера. пишет порт не найден. менял почти все порты толку нет . решил подать питание непосредственно на адаптер с другого источника( производитель пишет что адаптеру при програмировании м1797 не нужен дополнительный источник питания).загорелся красный диод ( до этого мигнет три раа и не горит) . адаптер тест прошел. что чтото пошло не так(адаптер должен работать без дополнительного питания)вопрс
1почему так .
2.может ли это как-то повлиять на програмирование .















9(

_AlexSander_
Сообщения: 481
Зарегистрирован: Вс авг 21, 2011 12:43 am
Откуда: ZP

Сообщение _AlexSander_ » Пт янв 03, 2014 11:48 am

это по ОБД доп питание ну нужно, т.к. оно подтягивается от машины. а если на столе решили сэмулировать подключение, то конечно же питание на адаптер должно быть.

valkaz
Сообщения: 27
Зарегистрирован: Сб янв 03, 2009 8:11 pm
Откуда: НАБ. ЧЕЛНЫ

Сообщение valkaz » Пт янв 03, 2014 1:36 pm

все это происходит при подключению к диагностическому раэьему.

Аватара пользователя
вадимк
Сообщения: 1371
Зарегистрирован: Ср янв 02, 2008 7:35 pm
Откуда: Украина.Киев

Сообщение вадимк » Пт янв 03, 2014 1:46 pm

Если подать питание на адаптер на столе и при этом светодиод горит,то адаптер поломался.Если на авто светится при подключении к обд разьему ,то нужно включить зажигание.Потому,как к-линия подсаживается не активным ЭБУ.Как то так.
Ремонт электроники тел.+38 096-376-95-99

valkaz
Сообщения: 27
Зарегистрирован: Сб янв 03, 2009 8:11 pm
Откуда: НАБ. ЧЕЛНЫ

Сообщение valkaz » Пт янв 03, 2014 2:04 pm

адаптер использовал в диагностике . все работает . я не пробовал подкинуть другой шнур обд-2. может внем проблема.

Аватара пользователя
chipsoft
CHIPSOFT.UA
Сообщения: 8318
Зарегистрирован: Вс дек 18, 2005 1:23 pm
Откуда: Украина, Киев

Сообщение chipsoft » Пт янв 03, 2014 3:36 pm

valkaz писал(а):может кто сталкивался . адаптер и шнур обд-2 от чипсофта. был пртобретен для м1797. перед началом работы делал тестирование к-лайна адаптера. пишет порт не найден. менял почти все порты толку нет . решил подать питание непосредственно на адаптер с другого источника( производитель пишет что адаптеру при програмировании м1797 не нужен дополнительный источник питания).загорелся красный диод ( до этого мигнет три раа и не горит) . адаптер тест прошел. что чтото пошло не так(адаптер должен работать без дополнительного питания)вопрс
1почему так .
2.может ли это как-то повлиять на програмирование .
1. Ошибки "порт не найден" в ChipLoader нет.
2. Чтобы точно узнать, на какой СОМ порт установился КЛайн адаптер - запустите диспетчер устройств.
3. Какой производитель и где написал, что для работы КЛайна не нужно напряжение? КЛайн - это как телевизор: для того, чтобы он показывал вставить антенну мало, нужно еще включить телевизор в розетку.
4. На Клайне 2 светодиода. Красный показывает наличие питания на адаптере, зеленый - активность по КЛинии. Если у Вас мигает красный - проверьте напряжение питания и соединения.
CHIPSOFT J2534 Pro: 5 CAN BUS, 1 SWCAN, 8 KLine, 5 - 20V Voltage generator
Онлайн магазин CHIPSOFT: shop.chipsoft.com.ua

valkaz
Сообщения: 27
Зарегистрирован: Сб янв 03, 2009 8:11 pm
Откуда: НАБ. ЧЕЛНЫ

Сообщение valkaz » Пт янв 03, 2014 4:52 pm

спасибо что ответили . отвечу по вопросам
1.при тестировании выходила ошибкана на этом порту адаптер не работает. смысл тот же
2. все делал через диспечера
3.у вас в 15посту есть выдержка.(если шить на машине то зачем питание на юсб .если в разьеме обд-2 стабиризированное питане 12 вольт) я понял так что при програмировании м 1797 через диагнозу
дополнительного питания не надо.
4.клайн с одним светодиодом.а мигал он когда выдавал ошибку по порту
я правильно сделал что подал питание непосредствено на калайн?

Аватара пользователя
chipsoft
CHIPSOFT.UA
Сообщения: 8318
Зарегистрирован: Вс дек 18, 2005 1:23 pm
Откуда: Украина, Киев

Сообщение chipsoft » Пт янв 03, 2014 5:36 pm

Все правильно Вы подали. Без +12В Клайн адаптер работать не будет. Если Вы к ОБД2 шнуру подключаете адаптер, то питание +12В приходит на КЛайн от ОБД2.
Странно, что у Вас старая версия адаптера. Мы ее уже больше года, как не продаем, а я так понял, что покупали Вы недавно.
CHIPSOFT J2534 Pro: 5 CAN BUS, 1 SWCAN, 8 KLine, 5 - 20V Voltage generator
Онлайн магазин CHIPSOFT: shop.chipsoft.com.ua

Ответить

Кто сейчас на конференции

Сейчас этот форум просматривают: нет зарегистрированных пользователей и 13 гостей